一.概述
1 氣動葫蘆是目前世界上較為理想的起重設備。在工業發達國家早已被廣泛采用。它具有電動葫蘆不可比擬的優點:
。
a 耐酸堿、蒸汽、抗高粉塵。
b 體積小、輕便,重量為電動葫蘆的1/3~1/8。
2 正是基于上述優點,氣動葫蘆可廣泛應用于石油、化工、煤礦、紡織、機械生產、船舶、 等領域。
3 型號說明:
產品的型號命名方式如下:
![]()
![]()
![]()
![]()

示例:提升高度為3m、額定起重量為10t的氣動葫蘆表示為:HQ10-3。
二.HQ氣動葫蘆的構成與功用
(一)其構成

1、帶有鏈輪和過載保護的減速箱;
2、中央部分;上鉤、吊掛體、鏈輪、鏈條、下鉤等部分組成;3、帶有制動功能的馬達;
4、連接風源的控制部分以及操作閥;5、鏈條;
6、吊鉤組。
(二)功用(主要介紹減速箱、馬達、連接風源的控制部分)
1、帶有鏈輪和過載保護的減速箱;包括三級行星減速齒輪組及過截調節兩部分。(1)三級行星減速齒輪組:高速馬達輸入軸通過三級行星減速齒輪減速后輸出到鏈輪,帶動鏈條工作。(2)過截調節:由調整螺絲、壓蓋、蝶行彈簧和壓在初級行星減速齒輪組周內齒輪兩側的銅摩擦片組成。當負載產生的旋轉力小于過載摩擦力時,周內齒輪不動從而使氣動葫蘆工作。當負載產生的旋轉力大于過載摩擦力時周內齒輪打滑,氣動葫蘆不工作。過載摩擦力的調節是通過松(或緊)調整螺絲來調節蝶行彈簧的彈力來實現的,從而起到過截保護作用。
2、帶有制動功能的馬達:主要包括缸筒、轉子、葉片和兩端缸蓋部分。
(1)、葉輪發動機工作原理。(見附圖2)
葉片馬達由氣缸套1、轉子2和兩端缸蓋三部分組成。轉子裝在氣缸套內,葉片裝在轉子的槽3內。葉片與缸套內壁及兩端缸蓋接觸,每兩個相鄰的葉片形成一個腔室6,由于4.1葉片的面積比4.2葉片的面積大,當輸入壓縮空氣時,作用在4.1葉片上的力大于作用在4.2葉片上的力,產生轉子扭矩,轉子轉動。當腔室轉到排氣口7時,壓縮空氣被排出。潤滑腔8在馬達葉片槽之間,它確保在250-500小時的使用中,不斷潤滑馬達。
圖中箭頭標明了轉子的運動方向和空氣的相應流動方向。
2、連接風源的控制部分以及操作閥;通過按動操作閥使主流閥打開,向雙向旋轉閥腔內進氣,在按動操作閥的同時雙向旋轉閥轉動打開閥門向馬達氣缸進氣。風源控制部分的原理。(見下圖)。

三、HQ型氣動葫蘆技術參數表
序號 | 項目 |
單位 | HQ6-(3~16) | HQ10-(3~16) | HQ16-(3~16) | HQ20-(3~16) | ||||||||
0.4 MPa | 0.5MPa(額定氣壓) | 0.6MPa | 0.4 MPa | 0.5MPa (額定氣壓) | 0.6 MPa | 0.4 MPa | 0.5MPa (額定氣壓) | 0.6 MPa | 0.4 MPa | 0.5MPa(額定氣壓) | 0.6 MPa | |||
1 | 額定起重量 | t | 5 | 6 | 6 | 8 | 10 | 10 | 14.5 | 16 | 16 | 16 | 20 | 20 |
2 | 提升速度 | m/min | 0.4 | 0.5 | 0.63 | 0.3 | 0.4 | 0.5 | 0.3 | 0.5 | 0.7 | 0.3 | 0.5 | 0.7 |
3 | 下降速度 | m/min | 1 | 1.1 | 1.2 | 1 | 1.2 | 1.5 | 1 | 1.5 | 1.6 | 1.2 | 1.7 | 1.8 |
4 | 耗氣量 | m3/min | 3 | 3.3 | 3.8 | 3.5 | 4.3 | 5.3 | 3.8 | 4.3 | 5.5 | 4 | 4.5 | 5.2 |
四、氣動葫蘆的動力源
氣動葫蘆的動力源是壓縮空氣,為了使氣動葫蘆正常工作,對壓縮空氣需滿足:
1、壓縮空氣清潔、干燥,即空氣中夾雜的微粒尺寸小于40um,夾雜的微粒數量低于每立方米5克。

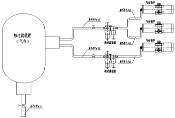
2、為保證氣動葫蘆壓縮空氣的質量,保證壓縮空氣過濾良好,并使氣動葫蘆供風量滿足要求,必需正確連接粗過濾裝置和精過濾裝置如下圖所示:
一般要求氣動葫蘆進氣管不小于DN20,且要求接有過濾裝置,一般要求進氣管直徑比出氣管直徑大一個以上的規格型號。
3、為了保證供風質量,還需保證粗過濾裝置、精過濾裝置及連接用的風管本身內部的清潔,為此必須在入井前對粗過濾裝置、精過濾裝置及連接用的風管進行封口,以免臟物進入其內,下井后還需用風壓吹掃干凈后方可連接投入使用。還要求定期清掃保證其清潔(要求一月一次)。
五、氣動葫蘆使用安全注意事項
1、氣動葫蘆的使用地點應有足夠的空間尺寸,環境整潔,沒有對操作者造成危險的危險源。
2、氣動葫蘆吊掛點應牢固可靠,6t氣動葫蘆吊掛點須不小于2根錨索并用,10t氣動葫蘆吊掛點須不小于4根錨索并用,20t氣動葫蘆吊掛點須不小于6根錨索并用。吊掛點需加強頂板支護滿起吊安全需要。
3、氣動葫蘆操作人員需經過培訓。熟悉氣動葫蘆的工作原理、內部結構及有關操作的安全注意事項等。
4、嚴禁超負荷能力提升、提升卡住的重物、起吊不能控制的外部能量設備(如液壓缸、降落的物體)。
5、不容許任何人及其任何部位在吊掛重物下面。
6、在開始提升和拖拽物體時要小心謹慎操作。
7、在起吊工作的情況下,千萬不要試圖處理起吊過程中出現的問題。
8、在提升、拖拉和降低物體是,確保物體處于穩定狀態,避免物體傾倒或落下引起事故。
9、用幾個氣動葫蘆提升一個物體要避免負載不平衡而導致過載。
10、每次決不要提升或拖拉一件以上的物體。
11、風壓不要超過工作壓力。發生斷氣,要對重物實施保護。在取下空氣管前,要關掉氣源。
12、要擰緊松弛的螺栓。
13、及時檢查吊鉤,不要使用不能活動的、彎曲的、打開的或扭曲變形的吊鉤,要及時更換。及時修理損壞的吊鉤安全鎖。
14、不要用吊鉤鉤尖部吊重物,只能在吊鉤里面最深的地方。
15、不要在連接點處鎖住吊鉤、不要對吊鉤作退火處理。
16、不要阻塞操作按鍵,不要使用不活動、不靈活的操作按鍵,應立即修理。
17、只用原始的JDN控制器操作JDN風動葫蘆。
18、不要彎曲或擠壓控制管。
19、在提升前將重物垂直放在風吊下方,鏈條應向下垂落。要避免松馳鏈條的打結,絞結的鏈條要整理好,檢查打結鏈條是否受損。不要觸摸運行的鏈條。
20、在通常工作情況下,決不要將鏈條運行到最終位置。
21、氣動葫蘆被啟動而無法運行,檢查是否鏈條受損。
22、不容許修理鏈條和連接鏈條(如用螺栓、連接環等)。
23、不要使用損壞的、損傷的、磨損的、生銹的、彎曲的、延伸的鏈條。
24、不要把負載鏈條作為提升鏈條使用。不使用吊鏈去捆綁提升物體。
故障與排除
問題 | 可能原因 | 處理辦法 |
不能提升 | 壓力過低 | 將風壓調到規定值 |
緊急制動被啟動 | 排除危險,解除緊急制動 | |
開關出現問題 | 修理開關 | |
提 升 速 度 太 慢 | 制動閘沒有完全釋放 | 調風壓到規定值,必要時更換制動活塞的密封,調整間隙 |
制動片磨損,或者磨損不對稱 | 更換制動片 | |
風管泄漏或接頭松動 | 檢查風管接頭,并將其擰緊 | |
風管截面過小 | 更換大尺寸風管(檢測風壓) | |
服務單元被贓物堵住 | 清洗,并想辦法改善空氣質量 | |
消音器堵塞 | 清洗或更換消音器部分 | |
馬達葉片磨損嚴重 | 更換馬達葉片 | |
馬達干澀 | 加潤滑油、檢查油壺 | |
馬達控制閥失效 | 維修馬達控制閥 | |
安全離合器打滑 | 調整安全離合器 | |
鏈條磨損造成安全離合打滑 | 更換鏈條 | |
制動時的過度運轉 | 制動閘磨損 | 更換閘片 |
鏈輪噪音太大 | 鏈條缺油、鏈條磨損 | 潤滑/更換新的鏈條 |
鏈輪磨損嚴重 | 更換鏈輪,檢查鏈條導塊,必要時更換 | |
鏈條沒有安裝正確 | 檢查鏈條,必要時更換 | |
提升或下降速度逐漸變慢或趨于停止 | 制動活塞安裝過緊 | 在較高溫度時調整制動活塞的間隙,同時設備也要加溫 |
易損件明細表
序號 | 名稱 | 規格 | 數量 | 備注 |
1 | 鏈條 | / | 1 | |
2 | 鏈輪 | / | 1 | |
3 | 葉片 | / | 6 | |
4 | 滾針軸承 | / | 12 | |
5 | 向心軸承 | / | 3 | |
6 | 向心軸承 | / | 3 |
產品主要零(元)部件及重要原材料明細表
序號 | 零部件(材料)名稱 | 規格型號(材質) | 生產單位 | 安標證編號(或其它認證編號 | 有效期 | 受控類別 | 備注 |
1 | RB2-8 | MEE050052 | 2017-1-5 | B | HQ6-(3~16) HQ10-(3~16) HQ16-(3~16) HQ20-(3~16) | ||
2 | 馬達 | HQ6-QD-00 | 丹陽市永明機械制造有限公司 | / | / | D | HQ6-(3~16) |
HQ10-QD-00 | HQ10-(3~16) | ||||||
HQ16-QD-00 | HQ16-(3~16) | ||||||
HQ20- QD-00 | HQ20-(3~16) | ||||||
3 | 減速器 | HQ6-JS-00 | 丹陽市永明機械制造有限公司 | / | / | D | HQ6-(3~16) |
HQ10-JS-00 | HQ10-(3~16) | ||||||
HQ16-JS-00 | HQ16-(3~16) | ||||||
HQ20- JS -00 | HQ20-(3~16) | ||||||
4 | 手控閥 | HQ6-WG-01 | 丹陽市永明機械制造有限公司 | / | / | D | HQ6-(3~16) |
HQ10-WG-01 | HQ10-(3~16) | ||||||
HQ16-WG-01 | HQ16-(3~16) | ||||||
HQ20- WG-01 | HQ20-(3~16) |
注:當改變安標配套件時,應選擇具有效MA證書的產品。性能參數和整機匹配。
檢查維護項目表及其時間間隔表
序號 | 檢查維護項目 | 時間間隔表 |
1 | 檢查控制器 | 每天 |
2 | 檢查剎車 | 每天 |
3 | 測試過載保護開關 | 每天 |
4 | 測試緊急制動開關 | 每天 |
5 | 檢查鏈條、潤滑鏈條 | 檢查鏈條每3個月,需要時潤滑鏈條 |
6 | 在腐蝕環境下鏈條需要更換 | 最少5年 |
7 | 檢查鏈輪和導鏈 | 每次更換鏈條時 |
8 | 檢查剎車磨損 | 每運行250小時或至少每年一次 |
9 | 檢查螺栓松緊 | 每運行250小時或至少每年一次 |
10 | 檢查掛鉤(含承重部分和被懸掛部分) | 每運行250小時或至少每年一次 |
11 | 檢查風動馬達、更換馬達潤滑劑 | 每運行250小時或至少每年一次 |
12 | 檢查潤滑起重鉤軸承和鏈輪軸承 | 起重鉤最大軸向公差為:2.5mm |
13 | 檢查消音器 | 每運行250小時或至少每年一次 |
14 | 檢查過載保護 | 每年一次 |
15 | 檢查傳動裝置、更換潤滑油 | 每運行800小時或至少每5年一次 |
16 | 檢查聯軸器和離合器 | 每運行250小時或至少每年一次 |
17 | 檢查氣路是否損壞 | 每年一次 |
18 | 檢查緩沖器 | 至少每年一次 |
19 | 檢查輔助裝置 | 每運行250小時或至少每年一次 |
![丹陽市永明機械制造有限公司[官網]](res/202010/18/48d473cb33be3185.png)


客服小薇
客服2